電話:0769-85189162 26980325 傳真:0769-81610656 郵箱:leesun@leesuncn.com sales@leesuncn.com 地址:廣東省東莞市南城區第一國際百安中心B座303室
此機適用于連結、變速、切離、寸動、正逆轉、緩沖起動、高頻運轉、動力切換、超載保護等.
標準電壓DC24V
型號
MCS-2-006
MCS-2-015
MCS-2-025
MCS-2-050
MCS-2-100
MCS-2-200
MCS-2-400
靜摩擦轉距 [kg-m](N-m)
0.55(5.5)
1.1(11)
2.2(22)
4.5(45)
9(90)
17.5(175)
35(350)
動摩擦轉距 [kg-m](N-m)
0.5(5.0)
1.0(10)
2.0(20)
4.0(40)
8(80)
16(160)
32(320)
功率 [24VDC](W)at20℃
11
15
20
25
35
45
60
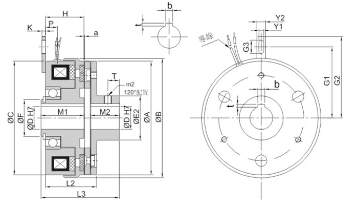
外型尺寸
A
63
80
100
125
160
200
250
B
67.5
85
106
133
169
212.5
264
C
D
12
30
40
50
E
33
37
47
52
62
74.5
101.5
F
65
H
24
26.5
33.5
37.5
L1
55
64.5
75
90.5
108.5
131.5
165
L2
31.5
35.5
41.5
46.5
54
M
27
29.5
34
42
N1
20.5
26
70
N2
2
3
5
7
P
7.5
8
9
11.5
12.5
13
R
3.2
4
S
38
64
90
115
G1
42.5
57.5
62.5
77.5
140
G2
112
135
G3
9.5
10.5
18.5
U
39.5
57
67
78
93.5
118.5
W
10
Y1
6
Y2
14
16
a
0.2(±0.05)
0.3(-0.1)
0.5(-0.2)
b
t
1.8
2.3
3.3
3.8
m
3-M4*0.7P
4-M4*0.7P
6-M5*0.8P
6-M6*1.0P
重量( kg )
0.7
1.23
2.18
3.93
8.1
12.3
23.5
LTC-002/LTC-002B(簡版)張力控制器可通過手動實時調節
LS-XXBXXL-XXN系列懸臂式張力檢測器可用于對紙張、薄膜
伺服電機直線驅動器LD系列使用無刷直流伺服電機驅動,對
伺服電機中間導向糾偏一體機 使用無刷直流伺服電機驅動
用途: 保持、連接、切離、緩動啟動、張力控制、扭力限
此機適用于連結、變速、切離、寸動、正逆轉、緩沖起動
掃描進入淘寶店
掃描進入阿里店